产品中心
彩屏款pH/ORP变送器 JW-PH6000
高清彩屏屏,智能校准及诊断,适用于火电、化工、化肥、印染、脱硫脱硝、表面处理、冶金、环保、制药、生化、食品、自来水
产品描述
JW-PH6000 PH/ORP变送器采用小型化设计,可与模拟型 pH 或 ORP 电极配套使用,具备测量、显示、变送、报警及通讯功能,可灵活满足各类在线 pH或 ORP 监控需求,其采用LCD高清彩色液晶屏显示,中英文可切换智能菜单,给客户提供了简单且友好的操作,并可适应各类工况现场的严苛要求。
特性概述
·高清彩屏显示,方便读取数据与操作
·软件数字滤波,抗干扰能力强
·智能校准技术,自动识别校准点
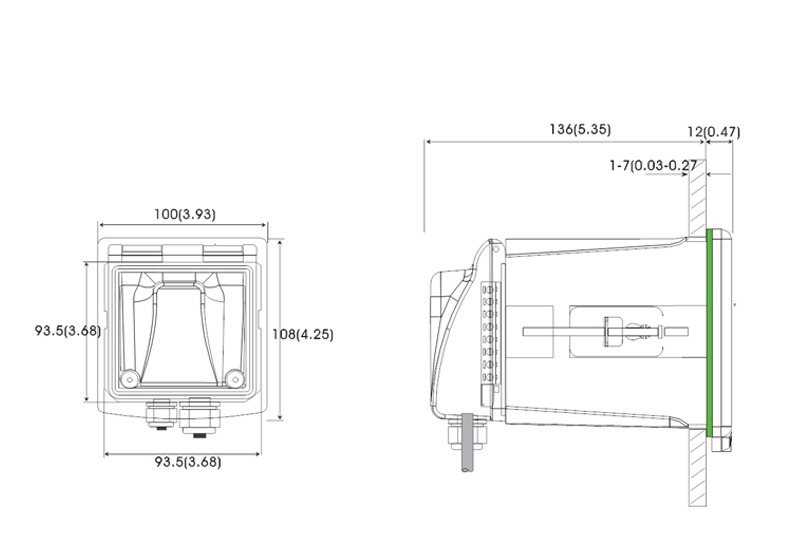
·IP67防护等级,全天候稳健运作
·智能诊断功能,判断电极寿命
典型应用:
火电、化工、化肥、印染、脱硫脱硝、表面处理、冶金、环保、制药、生化、食品、自来水












上一个
下一个
